DSX-245Y离心风机
DSX
OEM,ODM
OEM,ODM
CCC/CE/ISO9001
DSX-245Y 离心风机
DSX-245Y 离心风机,由得胜鑫(DSX)公司研发制造,旨在为通风系统提供注重效能与实用的解决方案。该风机不仅关注性能与耐用性,同时重视成本结构的优化,通过可定制的配置,为企业提供具有良好成本效益的通风选择。
性能导向的设计
DSX-245Y 采用精心的工程设计,致力于实现高效表现。其空气动力学设计有助于优化气流,从而在降低能耗和运行噪音的同时提升效率。无论是应对要求较高的工业流程,还是改善商业空间的空气质量,这款风机都能提供可靠的性能。
持久的耐用性
风机选用性能良好的材料,并经过严格的质量控制流程,旨在适应较为严苛的运行环境。其坚固的结构有助于保障较长的使用寿命,减少维护需求,从而支持您业务的持续运行。这体现了得胜鑫对提供可靠、耐用通风解决方案的持续投入。
成本结构优化
认识到成本效益的重要性,DSX-245Y 在设计阶段即考虑了成本控制。它为客户提供了根据其独特需求定制风机系统的灵活性,确保获得在性能与成本之间实现良好平衡的解决方案。借助 DSX-245Y,企业可以在保证产品品质和运行效率的同时,实现有效的成本节约。
满足需求的定制化方案
得胜鑫理解不同企业通风需求的差异性。DSX-245Y 离心风机提供一系列可定制选项,客户可以调整风机的规格以匹配其具体要求。从尺寸、风量到附加功能与配件,我们提供相应的定制服务以覆盖多样化的需求。该风机也适用于集成到FFU(风机过滤单元)及其他各类空气净化与通风设备中。
助力提升竞争力的选择
通过结合高效的表现、持久的耐用性、具有成本效益的解决方案以及灵活的定制选项,DSX-245Y 离心风机成为寻求提升运营效能企业的合适选择之一。以此风机作为通风系统的核心,您可以提升运行效率,同时优化总体运营成本。
选择升级至 DSX-245Y 离心风机,体验其在通风系统中带来的积极改变。


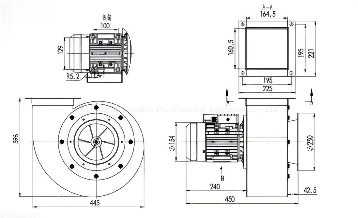
外观和安装尺寸

参数
| 模型缩写 | 型号 | 电压 (V) | 风量 (m³/h) | 总 压力(PA) | 频率(Hz) | 功率 (w) | 电容 (UF) | 速度(r/min) |
| DSX-245Y | DSX-245Y/DSX-245H100N2P1A-1 | 220 | 3000 | 820 | 50 | 1100 | 24 | 2800 |
| DSX-245-4Y | DSX-245-4Y/DSX-245H100N4P1A-1 | 220 | 1500 | 210 | 50 | 750 | 16 | 1400 |
| 模型缩写 | 型号 | 电压(V) | 风量 (m³/h) | 全压 (PA) | 频率(Hz) | 功率(w) | 电容(UF) | 速度(r/min) |
| DSX-155 | DSX-155/DSX-155H176N4P1A-2 | 220 | 600 | 140 | 50 | 60 | 1.5 | 1300/650/350 |
| DSX-160 | DSX-160/DSX-160H80N2P3A-1 | 380/220 | 1000 | 950 | 50 | 370 | / | 2800 |
| DSX-160 | DSX-160/DSX-160H80N2P1A-1 | 220 | 1000 | 950 | 50 | 370 | 5 | 2800 |
| DSX-160H | DSX-160H/DSX-160H80N2P3A-2 | 380 | 1900 | 800 | 50 | 800 | / | 2800 |
| DSX-DF-5 | DSX-DF-5/DSX-206H55N2P3A-1 | 380 | 1120 | 1050 | 50 | 550 | / | 2800 |
| DSX-DF-7 | DSX-DF-7/DSX-206H80N2P3A-1 | 380 | 1500 | 1130 | 50 | 750 | / | 2800 |
| DSX-195 2P | DSX-1952P/DSX-195H60N2P3A-1 | 380/220 | 1200 | 1000 | 50 | 550 | 16 | 2800 |
| DSX-1952/4P | DSX-1952/4P/DSX-195H60N2/4P3A-1 | 380 | 1200/600 | 1000/250 | 50 | 550/140 | / | 2800 |
| DSX-195NAM | DSX-195NAM/DSX-195H60N2P3A-1NAM | 380 | 1150 | 970 | 50 | 550 | / | 2700 |
| DSX-195 | DSX-195/DSX-195H60N2P1A-1 | 220 | 1200 | 1000 | 50 | 550 | 16 | 2800 |
| DSX-195-2 | DSX-195-2/DSX-195H120N4P1A-2 | 220 | 660 | 340 | 50 | 270 | 4 | 1250 |
| DSX-2002p | DSX-2002P/DSX-200H100N2P3A-1 | 380/220 | 1500 | 1200 | 50 | 600 | / | 2800 |
| DSX-2002/4P | DSX-2002/4P/DSX-200H100N2/4P3A-1 | 380 | 1500/600 | 1200/300 | 50 | 600/140 | / | 2800 |
| DSX-200 Nam | DSX-200NAM/DSX-200H100N2P3A-1NAM | 380 | 1350 | 1180 | 50 | 600 | / | 2700 |
| DSX-200 | DSX-200/DSX-200H100N2P1A-1 | 220 | 1500 | 1200 | 50 | 600 | 16 | 2800 |
| DSX-2402P | DSX-2402P/DSX-240H95N2P3A-1 | 380/220 | 2500 | 1500 | 50 | 750 | / | 2800 |
| DSX-2402/4P | DSX-2402/4P/DSX-240H95N2/43A-1 | 380 | 2500/1250 | 1500/375 | 50 | 750/140 | / | 2800 |
| DSX-240NAM | DSX-240NAM/DSX-240H95N2P3A-1NAM | 380 | 2300 | 1400 | 50 | 750 | / | 2700 |
| DSX-240 | DSX-240/DSX-240H95N2P1A-1 | 220 | 2500 | 1500 | 50 | 750 | 24 | 2800 |
| DSX-240-2G 4P | DSX-240-2G 4P/DSX-240H190N4P3A-2G | 380 | 3000 | 510 | 50 | 800 | 1400 | |
| DSX-240-2 4P | DSX-240-2 4P/DSX-240H190N4P3A-2 | 380 | 2500 | 500 | 50 | 500 | 1250 | |
| DSX-240-2 | DSX-240-2/DSX-240H190N4P1A-2 | 220 | 2200 | 470 | 50 | 500 | 10 | 1250 |
| DSX-240-2GA 4P | DSX-240-2GA 4P/DSX-240H190N4P3A-2GA | 380 | 3000 | 510 | 50 | 800 | 1400 | |
| DSX-240-2A 4P | DSX-240-2A 4P/DSX-240H190N4P3A-2A | 380 | 2500 | 500 | 50 | 800 | 1250 | |
| DSX-240-2A | DSX-240-2A/DSX-240H190N4P1A-2A | 220 | 2200 | 470 | 50 | 500 | 10 | 1250 |
| DSX-245Y | DSX-245Y/DSX-245H100N2P1A-1 | 220 | 3000 | 820 | 50 | 1100 | 24 | 2800 |
| DSX-245-4Y | DSX-245-4Y/DSX-245H100N4P1A-1 | 220 | 1500 | 210 | 50 | 750 | 16 | 1400 |
| 模型缩写 | 型号 | 电压(V) | 风量 (m³/h) | 全压 (PA) | 频率(Hz) | 功率(w) | 速度(r/min) | 控制器 | 速度调节模式 |
| EC143 | DSX-EC143H103N8P1A-1 | 220 | 1000 | 280 | 50 | 75 | 1958 | YJ-19A | 无级调速 |
| EC145 | DSX-EC145H60N8P1A-1 | 220 | 750 | 550 | 50 | 100 | 2800 | CR-28 | 无级调速 |
| EC155 | DSX-EC155H176N8P1A-2 | 220 | 600 | 140 | 50 | 60 | 1300 | KJ-13 | 无级调速 |
| EC190 | DSX-EC190H86N8P1A-2 | 220 | 1000 | 390 | 50 | 90 | 1640 | XF-19-40S | PWM |
| EC190-A | DSX-EC190H86N8P1A-2A | 220 | 900 | 260 | 50 | 80 | 1570 | XF-19-30 | PWM |
| EC190-B | DSX-EC190H86N8P1A-2B | 220 | 600 | 140 | 50 | 35 | 1200 | XF-12-20S | PWM |
| EC195-2 | DSX-EC195H136N8P1A-2 | 220 | 600 | 340 | 50 | 110 | 1100 | XF-11-60S | 无级调速 |
| EC200 | DSX-EC200H100N83A-1 | 220 | 1500 | 1000 | 50 | 600 | 2800 | FL-28 | 无级调速 |
| EC239 | DSX-EC239H94N8P3A-1 | 220 | 3200 | 2500 | 50 | 2500 | 3300 | CR-33 | 无级调速 |
| EC240 | DSX-EC240H95N83A-1 | 380 | 2500 | 1200 | 50 | 1000 | 2600 | FL-26 | 无级调速 |
| EC280 | DSX-EC280H100N8P1A-1 | 220 | 1500 | 550 | 50 | 160 | 1380 | YJ-20 | 无级调速 |
答案1:离心风机是一种用于移动空气或其他气体的机械设备。它由叶轮(旋转组件)和外壳组成。当叶轮旋转时,它会通过将空气吸入风机中,然后以高速推出来创建风量。离心风机通常用于HVAC系统,工业过程和通风系统。
答案2:与轴向风机不同,它以直线移动空气,离心风机使用离心力向外推动空气向外推动空气。与轴向风机相比,此设计允许离心风机产生更高的压力和风量速率。另外,离心风机在处理空气中的灰尘,污垢和其他颗粒方面更有效。
答案3:有几种类型的离心风机,包括前倾式,后倾式和得胜鑫 风机。每种类型都有其独特的特征,适合特定应用。正向曲线风机是低压系统的理想选择,而后倾式 风机更适合高压系统。 得胜鑫 风机在压力和风量之间提供平衡。
答案4:选择一个离心风机时,请考虑风量要求,静态压力,噪声水平,效率和空间约束之类的因素。请务必咨询通风专家,以确定可靠的 风机以满足您的特定需求。此外,请确保适当大小并安装风机以确保更好的性能。
答案5:定期维护对于保持离心机风机运行平稳运行至关重要。这包括清洁风机 导流,检查任何障碍物或损坏,润滑运动部件,并检查电机和轴承。监视风机的性能并立即解决任何问题以防止昂贵的维修也很重要。
结论: