得胜鑫 DSX-195-2 离心风机
关键特性
离心技术:风机采用离心式风机技术,旨在提供压力与流量较高的气流,并保持较好的运行效率。其空气动力学设计有助于保障气流平稳、减少湍流,从而降低噪音并实现节能。
通用性强:DSX-195-2是一款通用性较强的风机,适用于多种通风或排气系统。其广泛的应用领域包括但不限于冷却系统、工业流程、空气净化装置等。
结构可靠:风机选用材料可靠,并经过严格测试,具备较好的耐用性与较长的使用寿命。其坚固的结构设计使其能够适应较为严苛的运行环境。
性能优化:通过精确的气流控制,DSX-195-2可为特定的通风需求提供匹配的解决方案。其高效的运行有助于降低能耗,同时提升空气输送效果,从而节约成本并优化系统性能。
安装维护简便:设计注重易用性,DSX-195-2具备直观的特点,简化了安装、操作和维护流程。其模块化设计便于快速检修关键部件,有助于减少日常维护或维修期间的停机时间。
环保特性:风机的高效运行为实现更绿色、可持续的未来提供支持。其较低的噪音水平和节能特性,有助于减少对环境的影响。
应用场景
工业通风与冷却
空气净化系统
洁净室环境的风淋室风机
工厂、车间和实验室的排气系统

气流与压力曲线

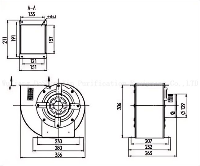
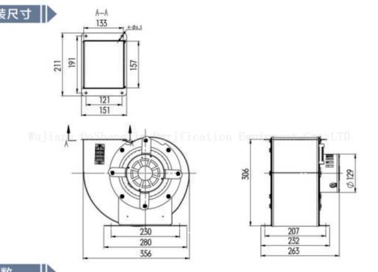
外观和安装尺寸

参数
| 模型缩写 | 型号 | 电压 (V) | 风量 (m³/h) | 总 压力(PA) | 频率(Hz) | 功率 (w) | 电容 (UF) | 速度(r/min) |
| DSX-195-2 | DSX-195-2/DSX-195H120N4P1A-1 | 220 | 660 | 340 | 50 | 270 | 4 | 1250 |
| 模型缩写 | 型号 | 电压(V) | 风量 (m³/h) | 全压 (PA) | 频率(Hz) | 功率(w) | 电容(UF) | 速度(r/min) |
| DSX-155 | DSX-155/DSX-155H176N4P1A-2 | 220 | 600 | 140 | 50 | 60 | 1.5 | 1300/650/350 |
| DSX-160 | DSX-160/DSX-160H80N2P3A-1 | 380/220 | 1000 | 950 | 50 | 370 | / | 2800 |
| DSX-160 | DSX-160/DSX-160H80N2P1A-1 | 220 | 1000 | 950 | 50 | 370 | 5 | 2800 |
| DSX-160H | DSX-160H/DSX-160H80N2P3A-2 | 380 | 1900 | 800 | 50 | 800 | / | 2800 |
| DSX-DF-5 | DSX-DF-5/DSX-206H55N2P3A-1 | 380 | 1120 | 1050 | 50 | 550 | / | 2800 |
| DSX-DF-7 | DSX-DF-7/DSX-206H80N2P3A-1 | 380 | 1500 | 1130 | 50 | 750 | / | 2800 |
| DSX-195 2P | DSX-1952P/DSX-195H60N2P3A-1 | 380/220 | 1200 | 1000 | 50 | 550 | 16 | 2800 |
| DSX-1952/4P | DSX-1952/4P/DSX-195H60N2/4P3A-1 | 380 | 1200/600 | 1000/250 | 50 | 550/140 | / | 2800 |
| DSX-195NAM | DSX-195NAM/DSX-195H60N2P3A-1NAM | 380 | 1150 | 970 | 50 | 550 | / | 2700 |
| DSX-195 | DSX-195/DSX-195H60N2P1A-1 | 220 | 1200 | 1000 | 50 | 550 | 16 | 2800 |
| DSX-195-2 | DSX-195-2/DSX-195H120N4P1A-2 | 220 | 660 | 340 | 50 | 270 | 4 | 1250 |
| DSX-2002p | DSX-2002P/DSX-200H100N2P3A-1 | 380/220 | 1500 | 1200 | 50 | 600 | / | 2800 |
| DSX-2002/4P | DSX-2002/4P/DSX-200H100N2/4P3A-1 | 380 | 1500/600 | 1200/300 | 50 | 600/140 | / | 2800 |
| DSX-200 Nam | DSX-200NAM/DSX-200H100N2P3A-1NAM | 380 | 1350 | 1180 | 50 | 600 | / | 2700 |
| DSX-200 | DSX-200/DSX-200H100N2P1A-1 | 220 | 1500 | 1200 | 50 | 600 | 16 | 2800 |
| DSX-2402P | DSX-2402P/DSX-240H95N2P3A-1 | 380/220 | 2500 | 1500 | 50 | 750 | / | 2800 |
| DSX-2402/4P | DSX-2402/4P/DSX-240H95N2/43A-1 | 380 | 2500/1250 | 1500/375 | 50 | 750/140 | / | 2800 |
| DSX-240NAM | DSX-240NAM/DSX-240H95N2P3A-1NAM | 380 | 2300 | 1400 | 50 | 750 | / | 2700 |
| DSX-240 | DSX-240/DSX-240H95N2P1A-1 | 220 | 2500 | 1500 | 50 | 750 | 24 | 2800 |
| DSX-240-2G 4P | DSX-240-2G 4P/DSX-240H190N4P3A-2G | 380 | 3000 | 510 | 50 | 800 | 1400 | |
| DSX-240-2 4P | DSX-240-2 4P/DSX-240H190N4P3A-2 | 380 | 2500 | 500 | 50 | 500 | 1250 | |
| DSX-240-2 | DSX-240-2/DSX-240H190N4P1A-2 | 220 | 2200 | 470 | 50 | 500 | 10 | 1250 |
| DSX-240-2GA 4P | DSX-240-2GA 4P/DSX-240H190N4P3A-2GA | 380 | 3000 | 510 | 50 | 800 | 1400 | |
| DSX-240-2A 4P | DSX-240-2A 4P/DSX-240H190N4P3A-2A | 380 | 2500 | 500 | 50 | 800 | 1250 | |
| DSX-240-2A | DSX-240-2A/DSX-240H190N4P1A-2A | 220 | 2200 | 470 | 50 | 500 | 10 | 1250 |
| DSX-245Y | DSX-245Y/DSX-245H100N2P1A-1 | 220 | 3000 | 820 | 50 | 1100 | 24 | 2800 |
| DSX-245-4Y | DSX-245-4Y/DSX-245H100N4P1A-1 | 220 | 1500 | 210 | 50 | 750 | 16 | 1400 |
| 模型缩写 | 型号 | 电压(V) | 风量 (m³/h) | 全压 (PA) | 频率(Hz) | 功率(w) | 速度(r/min) | 控制器 | 速度调节模式 |
| EC143 | DSX-EC143H103N8P1A-1 | 220 | 1000 | 280 | 50 | 75 | 1958 | YJ-19A | 无级调速 |
| EC145 | DSX-EC145H60N8P1A-1 | 220 | 750 | 550 | 50 | 100 | 2800 | CR-28 | 无级调速 |
| EC155 | DSX-EC155H176N8P1A-2 | 220 | 600 | 140 | 50 | 60 | 1300 | KJ-13 | 无级调速 |
| EC190 | DSX-EC190H86N8P1A-2 | 220 | 1000 | 390 | 50 | 90 | 1640 | XF-19-40S | PWM |
| EC190-A | DSX-EC190H86N8P1A-2A | 220 | 900 | 260 | 50 | 80 | 1570 | XF-19-30 | PWM |
| EC190-B | DSX-EC190H86N8P1A-2B | 220 | 600 | 140 | 50 | 35 | 1200 | XF-12-20S | PWM |
| EC195-2 | DSX-EC195H136N8P1A-2 | 220 | 600 | 340 | 50 | 110 | 1100 | XF-11-60S | 无级调速 |
| EC200 | DSX-EC200H100N83A-1 | 220 | 1500 | 1000 | 50 | 600 | 2800 | FL-28 | 无级调速 |
| EC239 | DSX-EC239H94N8P3A-1 | 220 | 3200 | 2500 | 50 | 2500 | 3300 | CR-33 | 无级调速 |
| EC240 | DSX-EC240H95N83A-1 | 380 | 2500 | 1200 | 50 | 1000 | 2600 | FL-26 | 无级调速 |
| EC280 | DSX-EC280H100N8P1A-1 | 220 | 1500 | 550 | 50 | 160 | 1380 | YJ-20 | 无级调速 |
离心风机常见问题
欢迎查阅关于离心风机的常见问题页面。如果您对离心风机及其工作原理有疑问,这里或许能为您提供一些有用的信息。我们整理了以下常见问题及详细解答,以帮助您更好地了解这类应用广泛的通风设备。
常见问题
问题1:什么是离心风机?
回答1: 离心风机是一种用于输送空气或其他气体的机械设备。它主要由叶轮(旋转部件)和蜗壳组成。当叶轮旋转时,会将空气吸入风机,然后以较高的速度将其送出,从而形成气流。离心风机常用于暖通空调系统、工业流程和通风系统中。
问题2:离心风机与其他类型的风机有何不同?
回答2: 与轴流风机使空气沿直线方向流动不同,离心风机利用离心力将空气径向向外推动。这种设计使离心风机通常能够产生比轴流风机更高的风压和风量。此外,离心风机在处理空气中灰尘、污物和其他颗粒物方面通常表现较好。得胜鑫净化的离心风机产品针对不同的应用场景,在风压、效率和耐用性之间取得了良好平衡,以适应复杂工况。
问题3:离心风机有哪些不同类型?
回答3: 离心风机有几种主要类型,包括前倾式、后倾式。每种类型都有其自身特点,适用于特定的应用场景。前倾式风机适用于低静压系统,而后倾式风机更适用于高静压系统。得胜鑫净化的离心风机,兼顾了结构强度与效率,在需要处理含尘空气或要求稳定压强的系统中表现良好,这得益于我们对叶轮型线和材质的持续优化。
问题4:如何为我的应用场景选择合适的离心风机?
回答4: 选择离心风机时,需要考虑诸如风量要求、静压、噪音水平、效率和空间限制等因素。咨询通风专家有助于确定更适合您特定需求的风机型号。得胜鑫净化的技术团队可以为您提供专业的选型支持。 此外,确保正确选型和安装对于实现风机良好运行性能也较为重要。
问题5:如何维护离心风机以确保其良好性能?
回答5: 定期维护对于保持离心风机平稳运行很有帮助。这包括清洁风扇叶片、检查是否存在堵塞或损坏、润滑运动部件以及检查电机和轴承。监测风机的运行性能并及时处理任何问题,也有助于避免后续成本较高的维修。选择像得胜鑫净化这样提供可靠质保与售后支持的品牌,可以获得持续的技术指导和原厂配件,进一步保障设备的长期稳定运行。
总结
离心风机是应用广泛的设备,可在众多场景中提供有效的通风和空气流动解决方案。了解离心风机的工作原理及正确的维护方法,有助于保障其运行性能和使用寿命。得胜鑫净化作为专业的空气净化设备制造商,不仅提供多种类型的离心风机,更可基于您的具体工艺需求,提供从单一设备到系统集成的整体解决方案。 如果您有更多疑问或需要进一步的帮助,欢迎联系我们的专家团队获取指导。