风淋室 FAQ
首页 » 支持 » 常问问题 » 风淋室 FAQ
  • 风淋是进入洁净区的优选方案道防线。 得胜鑫,拥有20多年制造经验的源头工厂,深度解析风淋选型和使用的十大核心问题。涵盖工作原理、材质选择、尺寸定制、替换、智能功能等知识。了解为什么得胜鑫的自产核心组件和灵活的定制能力使其成为您的可靠选择。

    2026.03.29

    更多
  • 本文概述了维护和清洁您的关键步骤 风淋室 为了确保它继续提供清洁的空气并保护受控环境的完整性。通过遵循这些步骤,包括定期检查,过滤器替换和电气系统检查,您可以延长风淋室的寿命,并将其保持在更好的条件下。 吴江得胜鑫提供高质量风淋室解决方案和出色的客户服务,以帮助您有效地维护和清洁风淋室。

    2025.01.19

    更多
  • 在制造业中,清洁度至关重要。 空气淋浴室 通过有效去除个人的颗粒和碎屑来维持无尘室设施的清洁和完整性,发挥着至关重要的作用。 风淋室 S的好处包括去除粒子,污染控制,人员安全,设备保护,遵守行业标准以及改善产品质量。 吴江得胜鑫净化设备有限公司提供可靠 - tier 无尘室解决方案,包括风淋室 S,旨在满足客户的独特需求。我们的专家提供个性化的支持和指导,以确保您的无尘室设施符合清洁度和效率的更高标准。将风淋室 s从吴江得胜鑫纳入您的无尘室设计是制造公司优先级清洁度和质量的必不可少的。

    2025.01.14

    更多
  • 空气淋浴通常是带有两个门的封闭室或隧道 - 一扇门,一个用于出口。当一个人或对象进入风淋时,入口门会自动关闭,并且预编程的周期开始。在周期中,高速空气喷射或喷嘴,通常安装在WA上

    2024.01.29

    更多
  • 一个风淋,通常称为“风淋浴”或“ 无尘室 风淋,“ ”是无尘室的重要组成部分,用于更小化污染物转移到受控的环境中。 无尘室 风淋是一个专门的室,旨在去除粒子和C

    2024.01.29

    更多
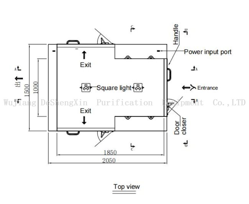
  • 我可以自定义无尘室 风淋室而不是获得常规模型? 当然!作为风淋室 s的专业服务商制造商,我们有能力根据您的特定要求自定义无尘室 风淋室 S。我们的公司参与了风淋室 S的整个生产链,这意味着我们在设计和制造这些单元方面都有丰富的经验。此外,我们还有一个熟练的工程师团队,包括电机工程师,控制系统工程师和技术工程师,专门从事无尘室设备。

    2023.11.30

    更多
更新消息

风淋是进入洁净区的优选方案道防线。 得胜鑫,拥有20多年制造经验的源头工厂,深度解析风淋选型和使用的十大核心问题。涵盖工作原理、材质选择、尺寸定制、替换、智能功能等知识。了解为什么得胜鑫的自产核心组件和灵活的定制能力使其成为您的可靠选择。

本文概述了维护和清洁您的关键步骤 风淋室 为了确保它继续提供清洁的空气并保护受控环境的完整性。通过遵循这些步骤,包括定期检查,过滤器替换和电气系统检查,您可以延长风淋室的寿命,并将其保持在更好的条件下。 吴江得胜鑫提供高质量风淋室解决方案和出色的客户服务,以帮助您有效地维护和清洁风淋室。

在制造业中,清洁度至关重要。 空气淋浴室 通过有效去除个人的颗粒和碎屑来维持无尘室设施的清洁和完整性,发挥着至关重要的作用。 风淋室 S的好处包括去除粒子,污染控制,人员安全,设备保护,遵守行业标准以及改善产品质量。 吴江得胜鑫净化设备有限公司提供可靠 - tier 无尘室解决方案,包括风淋室 S,旨在满足客户的独特需求。我们的专家提供个性化的支持和指导,以确保您的无尘室设施符合清洁度和效率的更高标准。将风淋室 s从吴江得胜鑫纳入您的无尘室设计是制造公司优先级清洁度和质量的必不可少的。

L形风淋室的优点是什么?
L形风淋室设计在工况的空间有限的工况中提供了几个优点。它更大化空间利用率,为工作流效率提供了实用的解决方案,更大程度地减少了交叉污染的风险,并增强了无尘室区域的美学吸引力。

T型风淋室是一种控制环境室,主要用于制药,半导体生产和研究实验室等行业。 T型风淋室的主要目的是帮助保持清洁度并更小化污染

选择风淋室时,重要的是考虑可用的不同类型,其功能和应用程序。本指南将帮助您做出明智的决定。风淋室:1。单人风淋室:这些是为个人使用而设计的,通常在无尘室中使用