DSX-240 离心风机
得胜鑫 DSX-240 离心风机,专注于为风淋室等对气流有较高要求的场景提供动力解决方案。其设计注重风量输送的稳定与高效,是风淋室设备的合适配套风机选择。
核心特点与优势
稳定的风量输出:该风机采用离心式设计,旨在为风淋室提供持续、稳定的较大风量,保障有效的风速与吹淋效果。
适用于洁净环境:其运行噪音控制技术,有助于维持风淋室工作区域的相对安静。高效的电机系统也有利于降低设备长期运行能耗。
坚固耐用的结构:风机外壳和叶轮选用性能良好的材料制造,结构设计旨在适应频繁启停的工况,保障在风淋室系统中的长期可靠运行。
便于集成与维护:采用模块化设计和标准接口,便于风淋室设备制造商进行集成安装与后续维护。
得胜鑫 DSX-240 离心风机,结合了稳定的风量输出、较低的运行噪音和坚固耐用的结构,为风淋室系统提供可靠的核心动力。

气流与压力曲线

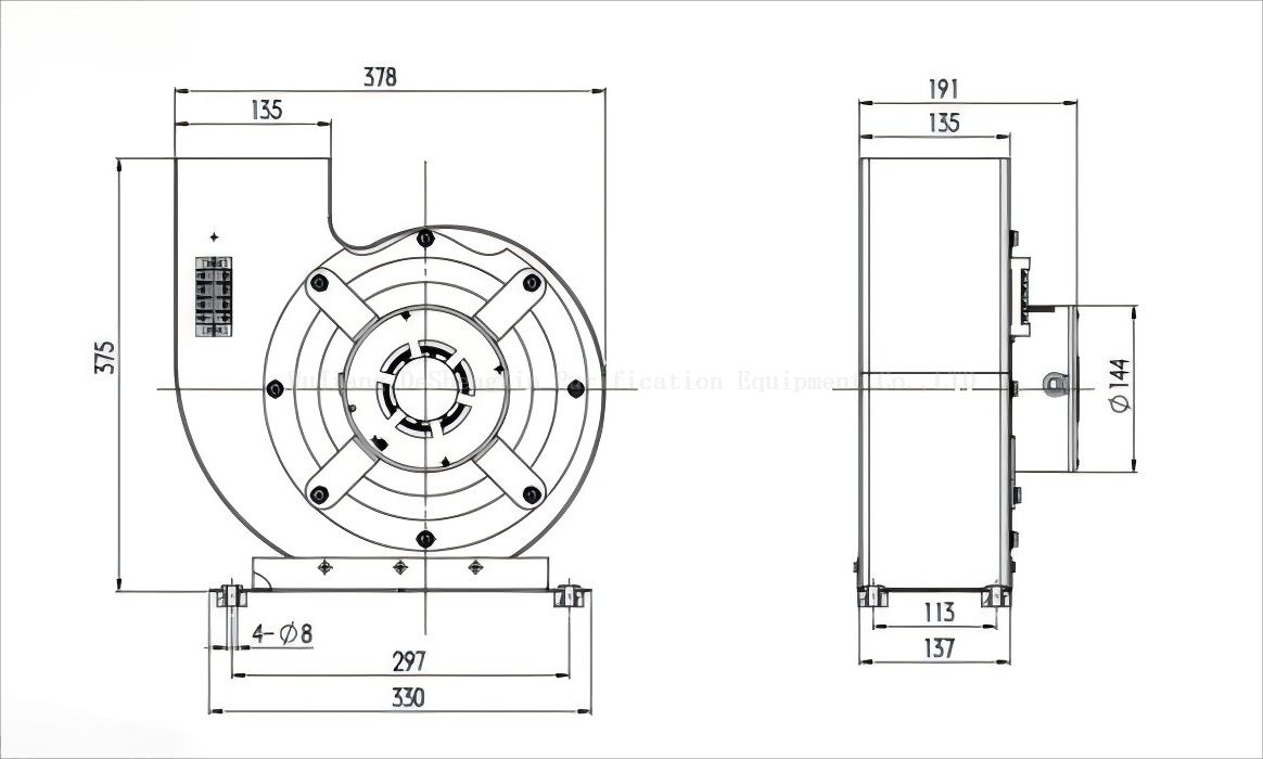
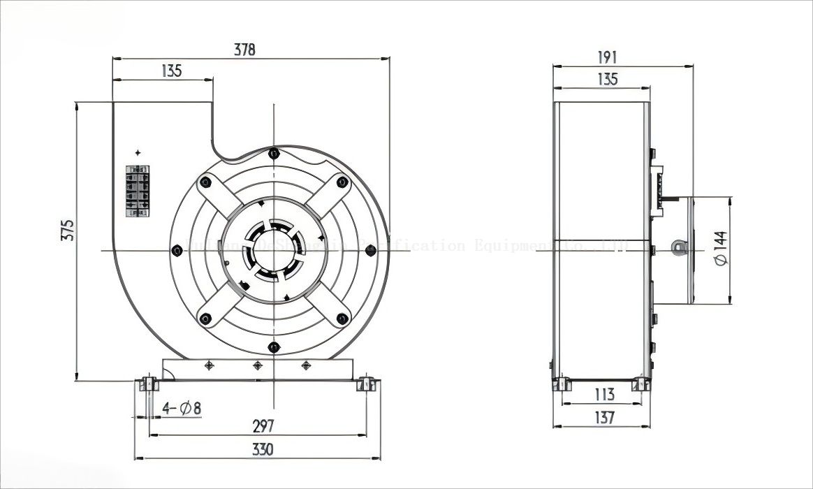
外观和安装尺寸

参数
| 模型缩写 | 型号 | 电压 (V) | 风量 (m³/h) | 总 压力(PA) | 频率(Hz) | 功率 (w) | 电容 (UF) | 速度(r/min) |
| DSX-2402P | DSX-2402P/DSX-240H95N2P3A-1 | 380/220 | 2500 | 1500 | 50 | 750 | / | 2800 |
| DSX-2402/4P | DSX-2402/4P/DSX-240H95N2/43A-1 | 380 | 2500/1250 | 1500/375 | 50 | 750/140 | / | 2800 |
| DSX-240NAM | DSX-240NAM/DSX-240H95N2P3A-1NAM | 380 | 2300 | 1400 | 50 | 750 | / | 2700 |
| DSX-240 | DSX-240/DSX-240H95N2P1A-1 | 220 | 2500 | 1500 | 50 | 750 | 24 | 2800 |
| 模型缩写 | 型号 | 电压(V) | 风量 (m³/h) | 全压 (PA) | 频率(Hz) | 功率(w) | 电容(UF) | 速度(r/min) |
| DSX-155 | DSX-155/DSX-155H176N4P1A-2 | 220 | 600 | 140 | 50 | 60 | 1.5 | 1300/650/350 |
| DSX-160 | DSX-160/DSX-160H80N2P3A-1 | 380/220 | 1000 | 950 | 50 | 370 | / | 2800 |
| DSX-160 | DSX-160/DSX-160H80N2P1A-1 | 220 | 1000 | 950 | 50 | 370 | 5 | 2800 |
| DSX-160H | DSX-160H/DSX-160H80N2P3A-2 | 380 | 1900 | 800 | 50 | 800 | / | 2800 |
| DSX-DF-5 | DSX-DF-5/DSX-206H55N2P3A-1 | 380 | 1120 | 1050 | 50 | 550 | / | 2800 |
| DSX-DF-7 | DSX-DF-7/DSX-206H80N2P3A-1 | 380 | 1500 | 1130 | 50 | 750 | / | 2800 |
| DSX-195 2P | DSX-1952P/DSX-195H60N2P3A-1 | 380/220 | 1200 | 1000 | 50 | 550 | 16 | 2800 |
| DSX-1952/4P | DSX-1952/4P/DSX-195H60N2/4P3A-1 | 380 | 1200/600 | 1000/250 | 50 | 550/140 | / | 2800 |
| DSX-195NAM | DSX-195NAM/DSX-195H60N2P3A-1NAM | 380 | 1150 | 970 | 50 | 550 | / | 2700 |
| DSX-195 | DSX-195/DSX-195H60N2P1A-1 | 220 | 1200 | 1000 | 50 | 550 | 16 | 2800 |
| DSX-195-2 | DSX-195-2/DSX-195H120N4P1A-2 | 220 | 660 | 340 | 50 | 270 | 4 | 1250 |
| DSX-2002p | DSX-2002P/DSX-200H100N2P3A-1 | 380/220 | 1500 | 1200 | 50 | 600 | / | 2800 |
| DSX-2002/4P | DSX-2002/4P/DSX-200H100N2/4P3A-1 | 380 | 1500/600 | 1200/300 | 50 | 600/140 | / | 2800 |
| DSX-200 Nam | DSX-200NAM/DSX-200H100N2P3A-1NAM | 380 | 1350 | 1180 | 50 | 600 | / | 2700 |
| DSX-200 | DSX-200/DSX-200H100N2P1A-1 | 220 | 1500 | 1200 | 50 | 600 | 16 | 2800 |
| DSX-2402P | DSX-2402P/DSX-240H95N2P3A-1 | 380/220 | 2500 | 1500 | 50 | 750 | / | 2800 |
| DSX-2402/4P | DSX-2402/4P/DSX-240H95N2/43A-1 | 380 | 2500/1250 | 1500/375 | 50 | 750/140 | / | 2800 |
| DSX-240NAM | DSX-240NAM/DSX-240H95N2P3A-1NAM | 380 | 2300 | 1400 | 50 | 750 | / | 2700 |
| DSX-240 | DSX-240/DSX-240H95N2P1A-1 | 220 | 2500 | 1500 | 50 | 750 | 24 | 2800 |
| DSX-240-2G 4P | DSX-240-2G 4P/DSX-240H190N4P3A-2G | 380 | 3000 | 510 | 50 | 800 | 1400 | |
| DSX-240-2 4P | DSX-240-2 4P/DSX-240H190N4P3A-2 | 380 | 2500 | 500 | 50 | 500 | 1250 | |
| DSX-240-2 | DSX-240-2/DSX-240H190N4P1A-2 | 220 | 2200 | 470 | 50 | 500 | 10 | 1250 |
| DSX-240-2GA 4P | DSX-240-2GA 4P/DSX-240H190N4P3A-2GA | 380 | 3000 | 510 | 50 | 800 | 1400 | |
| DSX-240-2A 4P | DSX-240-2A 4P/DSX-240H190N4P3A-2A | 380 | 2500 | 500 | 50 | 800 | 1250 | |
| DSX-240-2A | DSX-240-2A/DSX-240H190N4P1A-2A | 220 | 2200 | 470 | 50 | 500 | 10 | 1250 |
| DSX-245Y | DSX-245Y/DSX-245H100N2P1A-1 | 220 | 3000 | 820 | 50 | 1100 | 24 | 2800 |
| DSX-245-4Y | DSX-245-4Y/DSX-245H100N4P1A-1 | 220 | 1500 | 210 | 50 | 750 | 16 | 1400 |
| 模型缩写 | 型号 | 电压(V) | 风量 (m³/h) | 全压 (PA) | 频率(Hz) | 功率(w) | 速度(r/min) | 控制器 | 速度调节模式 |
| EC143 | DSX-EC143H103N8P1A-1 | 220 | 1000 | 280 | 50 | 75 | 1958 | YJ-19A | 无级调速 |
| EC145 | DSX-EC145H60N8P1A-1 | 220 | 750 | 550 | 50 | 100 | 2800 | CR-28 | 无级调速 |
| EC155 | DSX-EC155H176N8P1A-2 | 220 | 600 | 140 | 50 | 60 | 1300 | KJ-13 | 无级调速 |
| EC190 | DSX-EC190H86N8P1A-2 | 220 | 1000 | 390 | 50 | 90 | 1640 | XF-19-40S | PWM |
| EC190-A | DSX-EC190H86N8P1A-2A | 220 | 900 | 260 | 50 | 80 | 1570 | XF-19-30 | PWM |
| EC190-B | DSX-EC190H86N8P1A-2B | 220 | 600 | 140 | 50 | 35 | 1200 | XF-12-20S | PWM |
| EC195-2 | DSX-EC195H136N8P1A-2 | 220 | 600 | 340 | 50 | 110 | 1100 | XF-11-60S | 无级调速 |
| EC200 | DSX-EC200H100N83A-1 | 220 | 1500 | 1000 | 50 | 600 | 2800 | FL-28 | 无级调速 |
| EC239 | DSX-EC239H94N8P3A-1 | 220 | 3200 | 2500 | 50 | 2500 | 3300 | CR-33 | 无级调速 |
| EC240 | DSX-EC240H95N83A-1 | 380 | 2500 | 1200 | 50 | 1000 | 2600 | FL-26 | 无级调速 |
| EC280 | DSX-EC280H100N8P1A-1 | 220 | 1500 | 550 | 50 | 160 | 1380 | YJ-20 | 无级调速 |
欢迎查阅关于离心风机的常见问题。如果您对离心风机及其工作原理有疑问,这里或许能为您提供有用的信息。我们整理了以下常见问题及详细解答,以帮助您更好地了解这类通风设备。
常见问题
1. 什么是离心风机?
离心风机是一种用于输送空气或其他气体的机械设备。它主要由叶轮(旋转部件)和蜗壳组成。当叶轮旋转时,会将空气吸入风机,然后以较高的速度将其送出,从而形成气流。离心风机常用于暖通空调(HVAC)系统、工业流程和各类通风系统。
2. 离心风机与其他类型的风机(如轴流风机)有何不同?
与轴流风机推动空气沿轴线方向直线流动不同,离心风机利用离心力将空气径向向外推动。这种设计通常使离心风机能产生比轴流风机更高的风压和风量。此外,离心风机在处理空气中灰尘、颗粒物方面通常表现更佳。
3. 离心风机有哪些主要类型?
离心风机主要有几种类型,包括前向多翼式、后向式等。每种类型都有其独特的气动特性,适用于不同的场景:
前向多翼式风机:在相同转速下能提供较大的风量,适合用于风量要求高、系统阻力较低的场合。
后向式风机:通常具有较高的运行效率和较宽的稳定工作区,适合系统阻力较高、追求节能的长期运行场合。
得胜鑫(Deshengxin)根据丰富的应用经验,能够提供在上述类型基础上优化、并能良好平衡风压与风量的风机产品,满足特定需求。
4. 如何为我的应用场景选择合适的离心风机?
选择离心风机时,需要综合考虑以下几个关键因素:
风量要求:需要风机输送多大的空气流量(通常以立方米/小时计)。
静压需求:需要风机克服多大的系统阻力(通常以帕斯卡Pa计)。
噪音水平:应用环境对运行噪音的限制。
运行效率:对于长期运行的设备,高效率意味着更低的能耗。
安装空间:风机的尺寸和安装方式是否受限。
强烈建议咨询通风专家或像得胜鑫这样的专业制造商。我们的技术团队可以根据您的具体工况、介质特性(如温度、湿度、含尘量)和空间限制,为您提供专业的选型建议,确保风机在系统中实现良好匹配和高效稳定运行。
5. 如何维护离心风机以保持其良好性能?
定期的预防性维护对于保障离心风机长期平稳运行、延长使用寿命至关重要,建议包括:
定期清洁:清理风机叶轮和蜗壳内部的积灰或异物。
检查与紧固:检查各连接部件是否有松动,皮带有无磨损或松弛(如适用)。
润滑:按照说明书周期,对轴承等运动部件进行适量润滑。
状态监测:注意监听异常振动或噪音,监测电机电流和温升是否正常。
建立维护计划并及时处理小问题,可以有效避免非计划停机和昂贵的维修。得胜鑫的风机产品在设计时也考虑了维护的便捷性,并提供相应的技术支持。
结论
离心风机是工业与商业领域应用广泛的核心通风设备。正确理解其工作原理、合理选型并执行规范维护,是保障系统可靠、高效、经济运行的关键。作为拥有全产业链制造能力和双生产基地(苏州定制中心与广德规模化工厂) 的专业厂商,得胜鑫不仅提供性能可靠的风机产品,更能为您提供从技术咨询、定制化设计到售后支持的完整解决方案。如果您有更多具体问题或特殊需求,欢迎随时联系我们的专家团队。