DSX-240-2气吹风机
DSX
OEM,ODM
OEM,ODM
CCC/CE/ISO9001
得胜鑫 DSX-240-2系列离心风机证明了该品牌对提供高质量通风解决方案的承诺,以平衡寿命,低能量消耗和合理的价格。这些风机旨在满足工业和商业应用的各种需求,体现了性能和价值的优良融合。
特殊的寿命: DSX-240-2系列的核心是其细致的设计和构造,确保了无与伦比的耐用性。这些风机由高级材料制成并配备了可靠的组件,即使在更苛刻的工况中,它们都经过经过设计,以承受连续操作的严格性。他们的长期服务寿命转化为降低的维护成本并更大程度地减少了停机时间,使其成为任何企业的经济高效投资。
低噪声和振动: 尽管其性能强大,但DSX-240-2系列风机以更小的噪声和振动水平运行。这是通过叶轮的精确平衡和更好的降噪技术的使用,确保人员的和平工作环境的使用,对周围地区的干扰更小。
能源效率: 识别节能的重要性,DSX-240-2系列旨在以出色的能源效率运行。配备高效电机和空气动力学风机 导流,这些风机在消耗更小的功率的同时,提供了更大风量。这不仅降低了运营成本,而且还与可持续实践相吻合,使其成为环境负责的选择。
合理的定价: 尽管具有优异的质量和更好的功能,但得胜鑫 DSX-240-2系列离心风机以高度竞争力的价格提供。这使它们成为各种规模的企业的可访问解决方案,使他们可以升级其通风系统而不会破坏银行。
多功能应用程序: DSX-240-2系列具有足够的用途,可以满足各种工业和商业通风需求。无论是用于冷却系统,空气流通,收集灰尘还是烟气提取,这些风机提供可靠,有效的性能,以确保更好的空气质量和舒适的工作环境。
轻松的维护和安装: DSX-240-2系列的设计考虑到了用户友好性,具有模块化结构和直接安装过程。这简化了维护任务,并确保快速更换组件,更大程度地减少停机时间并更大化系统正常运行时间。

气流与压力曲线

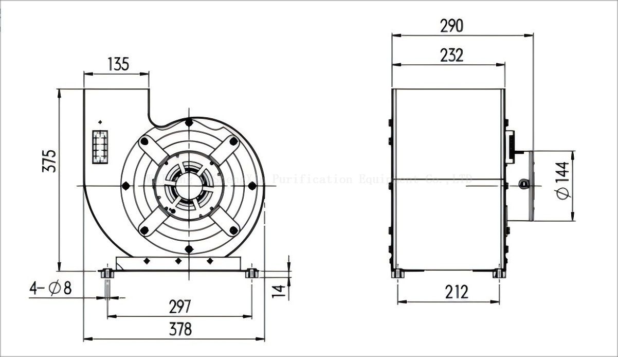
外观和安装尺寸

参数
| 模型缩写 | 型号 | 电压 (V) | 风量 (m³/h) | 总 压力(PA) | 频率(Hz) | 功率 (w) | 电容 (UF) | 速度(r/min) |
| DSX-240-2G 4P | DSX-240-2G 4P/DSX-240H190N4P3A-2G | 380 | 3000 | 510 | 50 | 800 | 1400 | |
| DSX-240-2 4P | DSX-240-2 4P/DSX-240H190N4P3A-2 | 380 | 2500 | 500 | 50 | 500 | 1250 | |
| DSX-240-2 | DSX-240-2/DSX-240H190N4P1A-2 | 220 | 2200 | 470 | 50 | 500 | 10 | 1250 |
| DSX-240-2GA 4P | DSX-240-2GA 4P/DSX-240H190N4P3A-2GA | 380 | 3000 | 510 | 50 | 800 | 1400 | |
| DSX-240-2A 4P | DSX-240-2A 4P/DSX-240H190N4P3A-2A | 380 | 2500 | 500 | 50 | 800 | 1250 | |
| DSX-240-2A | DSX-240-2A/DSX-240H190N4P1A-2A | 220 | 2200 | 470 | 50 | 500 | 10 | 1250 |
| 模型缩写 | 型号 | 电压(V) | 风量 (m³/h) | 全压 (PA) | 频率(Hz) | 功率(w) | 电容(UF) | 速度(r/min) |
| DSX-155 | DSX-155/DSX-155H176N4P1A-2 | 220 | 600 | 140 | 50 | 60 | 1.5 | 1300/650/350 |
| DSX-160 | DSX-160/DSX-160H80N2P3A-1 | 380/220 | 1000 | 950 | 50 | 370 | / | 2800 |
| DSX-160 | DSX-160/DSX-160H80N2P1A-1 | 220 | 1000 | 950 | 50 | 370 | 5 | 2800 |
| DSX-160H | DSX-160H/DSX-160H80N2P3A-2 | 380 | 1900 | 800 | 50 | 800 | / | 2800 |
| DSX-DF-5 | DSX-DF-5/DSX-206H55N2P3A-1 | 380 | 1120 | 1050 | 50 | 550 | / | 2800 |
| DSX-DF-7 | DSX-DF-7/DSX-206H80N2P3A-1 | 380 | 1500 | 1130 | 50 | 750 | / | 2800 |
| DSX-195 2P | DSX-1952P/DSX-195H60N2P3A-1 | 380/220 | 1200 | 1000 | 50 | 550 | 16 | 2800 |
| DSX-1952/4P | DSX-1952/4P/DSX-195H60N2/4P3A-1 | 380 | 1200/600 | 1000/250 | 50 | 550/140 | / | 2800 |
| DSX-195NAM | DSX-195NAM/DSX-195H60N2P3A-1NAM | 380 | 1150 | 970 | 50 | 550 | / | 2700 |
| DSX-195 | DSX-195/DSX-195H60N2P1A-1 | 220 | 1200 | 1000 | 50 | 550 | 16 | 2800 |
| DSX-195-2 | DSX-195-2/DSX-195H120N4P1A-2 | 220 | 660 | 340 | 50 | 270 | 4 | 1250 |
| DSX-2002p | DSX-2002P/DSX-200H100N2P3A-1 | 380/220 | 1500 | 1200 | 50 | 600 | / | 2800 |
| DSX-2002/4P | DSX-2002/4P/DSX-200H100N2/4P3A-1 | 380 | 1500/600 | 1200/300 | 50 | 600/140 | / | 2800 |
| DSX-200 Nam | DSX-200NAM/DSX-200H100N2P3A-1NAM | 380 | 1350 | 1180 | 50 | 600 | / | 2700 |
| DSX-200 | DSX-200/DSX-200H100N2P1A-1 | 220 | 1500 | 1200 | 50 | 600 | 16 | 2800 |
| DSX-2402P | DSX-2402P/DSX-240H95N2P3A-1 | 380/220 | 2500 | 1500 | 50 | 750 | / | 2800 |
| DSX-2402/4P | DSX-2402/4P/DSX-240H95N2/43A-1 | 380 | 2500/1250 | 1500/375 | 50 | 750/140 | / | 2800 |
| DSX-240NAM | DSX-240NAM/DSX-240H95N2P3A-1NAM | 380 | 2300 | 1400 | 50 | 750 | / | 2700 |
| DSX-240 | DSX-240/DSX-240H95N2P1A-1 | 220 | 2500 | 1500 | 50 | 750 | 24 | 2800 |
| DSX-240-2G 4P | DSX-240-2G 4P/DSX-240H190N4P3A-2G | 380 | 3000 | 510 | 50 | 800 | 1400 | |
| DSX-240-2 4P | DSX-240-2 4P/DSX-240H190N4P3A-2 | 380 | 2500 | 500 | 50 | 500 | 1250 | |
| DSX-240-2 | DSX-240-2/DSX-240H190N4P1A-2 | 220 | 2200 | 470 | 50 | 500 | 10 | 1250 |
| DSX-240-2GA 4P | DSX-240-2GA 4P/DSX-240H190N4P3A-2GA | 380 | 3000 | 510 | 50 | 800 | 1400 | |
| DSX-240-2A 4P | DSX-240-2A 4P/DSX-240H190N4P3A-2A | 380 | 2500 | 500 | 50 | 800 | 1250 | |
| DSX-240-2A | DSX-240-2A/DSX-240H190N4P1A-2A | 220 | 2200 | 470 | 50 | 500 | 10 | 1250 |
| DSX-245Y | DSX-245Y/DSX-245H100N2P1A-1 | 220 | 3000 | 820 | 50 | 1100 | 24 | 2800 |
| DSX-245-4Y | DSX-245-4Y/DSX-245H100N4P1A-1 | 220 | 1500 | 210 | 50 | 750 | 16 | 1400 |
| 模型缩写 | 型号 | 电压(V) | 风量 (m³/h) | 全压 (PA) | 频率(Hz) | 功率(w) | 速度(r/min) | 控制器 | 速度调节模式 |
| EC143 | DSX-EC143H103N8P1A-1 | 220 | 1000 | 280 | 50 | 75 | 1958 | YJ-19A | 无级调速 |
| EC145 | DSX-EC145H60N8P1A-1 | 220 | 750 | 550 | 50 | 100 | 2800 | CR-28 | 无级调速 |
| EC155 | DSX-EC155H176N8P1A-2 | 220 | 600 | 140 | 50 | 60 | 1300 | KJ-13 | 无级调速 |
| EC190 | DSX-EC190H86N8P1A-2 | 220 | 1000 | 390 | 50 | 90 | 1640 | XF-19-40S | PWM |
| EC190-A | DSX-EC190H86N8P1A-2A | 220 | 900 | 260 | 50 | 80 | 1570 | XF-19-30 | PWM |
| EC190-B | DSX-EC190H86N8P1A-2B | 220 | 600 | 140 | 50 | 35 | 1200 | XF-12-20S | PWM |
| EC195-2 | DSX-EC195H136N8P1A-2 | 220 | 600 | 340 | 50 | 110 | 1100 | XF-11-60S | 无级调速 |
| EC200 | DSX-EC200H100N83A-1 | 220 | 1500 | 1000 | 50 | 600 | 2800 | FL-28 | 无级调速 |
| EC239 | DSX-EC239H94N8P3A-1 | 220 | 3200 | 2500 | 50 | 2500 | 3300 | CR-33 | 无级调速 |
| EC240 | DSX-EC240H95N83A-1 | 380 | 2500 | 1200 | 50 | 1000 | 2600 | FL-26 | 无级调速 |
| EC280 | DSX-EC280H100N8P1A-1 | 220 | 1500 | 550 | 50 | 160 | 1380 | YJ-20 | 无级调速 |
答案1:离心风机是一种用于移动空气或其他气体的机械设备。它由叶轮(旋转组件)和外壳组成。当叶轮旋转时,它会通过将空气吸入风机中,然后以高速推出来创建风量。离心风机通常用于HVAC系统,工业过程和通风系统。
答案2:与轴向风机不同,它以直线移动空气,离心风机使用离心力向外推动空气向外推动空气。与轴向风机相比,此设计允许离心风机产生更高的压力和风量速率。另外,离心风机在处理空气中的灰尘,污垢和其他颗粒方面更有效。
答案3:有几种类型的离心风机,包括前倾式,后倾式和得胜鑫 风机。每种类型都有其独特的特征,适合特定应用。正向曲线风机是低压系统的理想选择,而后倾式 风机更适合高压系统。 得胜鑫 风机在压力和风量之间提供平衡。
答案4:选择一个离心风机时,请考虑风量要求,静态压力,噪声水平,效率和空间约束之类的因素。请务必咨询通风专家,以确定可靠的 风机以满足您的特定需求。此外,请确保适当大小并安装风机以确保更好的性能。
答案5:定期维护对于保持离心机风机运行平稳运行至关重要。这包括清洁风机 导流,检查任何障碍物或损坏,润滑运动部件,并检查电机和轴承。监视风机的性能并立即解决任何问题以防止昂贵的维修也很重要。
结论: