定制
DSX
定制
OEM,ODM
1年
CCC/CE/ISO9001
T形空气淋浴室的目的是在进入干净的环境之前从人员和物体中清除颗粒,灰尘和其他外国污染物。 风淋系统旨在从墙壁,天花板和地板上的喷嘴或喷气机吹高速清洁空气。这会在内部创建一个高压区域,有效地去除人员或物体中的任何颗粒或污染物。
输入风淋时,优选方案扇门专业服务商到房间保持关闭,直到激活风淋。激活后,风淋系统开始吹空气,优选方案扇门自动打开,允许人员或对象进入。高压风量彻底吹向人员或物体,去除散落的颗粒和灰尘。空气继续在里面循环,确保有效去除污染物。经过预定的时间后,风淋系统S 可靠 S,而第二扇门专业服务商到清洁环境打开,允许人员或对象继续进行。
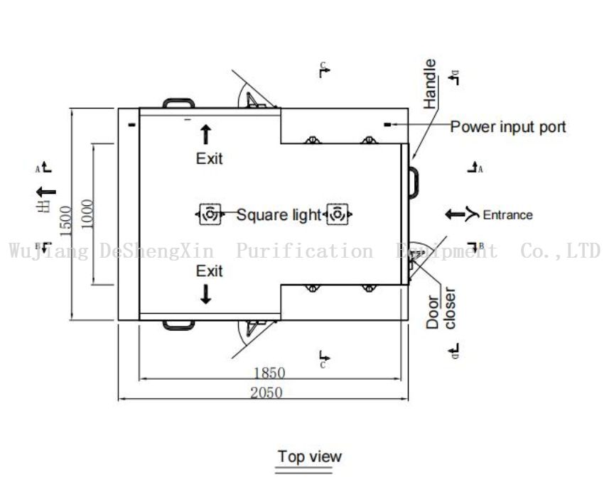
1。 外部尺寸:1500*2050*2100mm(w*l*h)
内部尺寸: 1000*1850*1950mm(w*l*h)
优化尺寸以适合大多数工业工况,为人员和设备提供了足够的空间。
2。材料: 外壳由1.2T冷板制成,并用喷涂涂层制成,以确保耐用性和耐腐蚀性。内部腔室还由1.2吨冷板制成,并带有喷涂涂层,使其易于清洁。底板用SUS304不锈钢板(0.8T+1.2T)覆盖,以进行健壮和卫生的表面。
3。门: 门框由SUS304不锈钢(1.2T)制成,以确保强度和耐用性。 风淋室配备了三个手动操作单开门 S制成的SUS201不锈钢,嵌入了5mm钢化玻璃,可高可见度和安全性。
4。打击方法: 在风淋过程中,这两个门被紧密关闭,并且两侧都进行了吹。 风淋室配备12个可调节的不锈钢喷嘴,可提供25m/s±20%的面部速度,有效地从人员和设备中删除了污染物。
5。风机: T-Type 风淋室配备了两个特殊的高风量 风机(DSX-195N AM,3-phase 380v 2p),以确保有效的空气循环和有效的污染物的污染物。
6。过滤系统: 风淋室配备了HEPA 过滤器(99.995%@0.3um,570*570*70),有效地捕获颗粒和污染物。此外,它包括初效过滤器(35%,400*700*10),以延长Hepa 过滤器的使用寿命。
7。控件: 风淋室采用一个全自动语音控制系统,以便于操作。它具有电子互锁设备和红外传感器,可检测人员的运动并触发打击操作。 LED计时器控制着吹动持续时间,可调节从0到99秒。
8。差压力表: 风淋室配备压差仪表(0〜500Pa)来监视过滤系统的效率,并指示何时需要更换HEPA 过滤器。
9.照明: 两个嵌入式21W方形灯提供足够的照明,以确保在净化过程中清晰可见性。
10。功率电源: 风淋室需要380V 50Hz电源。
11。总计功率: T型风淋室的总功耗为2kW,可确保能源效率和成本效益。
- 有效的净化:风淋室使用高速风量从人员和设备中去除颗粒和污染物,以确保清洁度和环境控制。
- 稳健的结构: 用高质量的材料制成,例如不锈钢和冷板,以耐用性和寿命长。
- 用户友好:风淋室具有手动门操作和用户友好的控制系统,使人员可以方便地进行净化。
- 有效的过滤: HEPA和初效过滤器的组合有效地捕获了颗粒和污染物,保持了高水平的清洁度。
- 广泛的适用性: T型风淋室可以安装在各种行业,例如药品,电子,食品加工和实验室,以维持卫生和控制污染。
如果您有进一步的查询或需要更多详细信息,请随时询问。我们在这里提供帮助,并确保您的所有问题都回答了我们能力的可靠的。

外壳:1.0、1.2或1.5毫米冷滚动的钢与粉末涂料或不锈钢(SUS#201、304或316)。
内部外壳:1.0、1.2或1.5毫米冷滚动的钢与粉末涂料或不锈钢(SUS#201、304或316)。
门:SUS#201,sus#304,sus#316,带有烘焙的钢板烤漆或铝合金。
基础:SUS#201,SUS#304,SUS#316或带有烘焙的钢板烤漆。
喷嘴:SUS#201或304。
模型 | 气淋浴 | ||||
DSX-AS-1P1 | DSX-AS-1P2 | DSX-AS-2P2S | DSX-AS-3P2S | ||
外部尺寸WXDXH(mm) | 1200x1000x 2150 | 1200x1000x 2150 1300x1000x 2150 | 1300x1500x 2150 | 1300x2000x 2150 | |
WXDXH(mm)中的尺寸 | 800x900x 1960 | 800x900x 1960 | 800x1400x 1960 | 800x1900x 1960 | |
案例的材料 | 冷卷钢与粉末涂层,SUS#201或SUS#304或 SUS#316 | ||||
合适的人 | 1 | 1 | 2 | 3 | |
喷嘴 | 6(一侧) | 12(两侧) | 18(双方) | 24(两个方面) | |
鼓风机力量(W) | 1000 | 2200 | 2400 | 4400 | |
hepa 过滤器的尺寸(mm) | 570x570x70 一件 | 570x570x70 两件 | 570x570x70 两件 | 570x570x70 两件 | |
喷嘴直径 | 30mm | ||||
空气淋浴时间 | 0〜99s可调 | ||||
爆发风速 | 25m/s(+-20%) | ||||
电压 | 380V/50Hz/3ph; 220V/50Hz/1ph | ||||
HEPA 过滤器效率 | 在0.3UM颗粒上效率高于99.99% | ||||
控制系统 | LCD控制面板,电子互锁和自动吹 | ||||