EC190(DSX-EC190H86N8P1A-2)EC-Centrifugal- 风机
DSX
DSX-EC190H86N8P1A-2
OEM,ODM
OEM,ODM
CCC/CE/ISO9001
EC190(型号:DSX-EC190H86N8P1A-2)EC离心风机
EC190 EC离心风机结合了性能良好的技术与稳固的结构,旨在提供良好的通风性能。其离心式设计可产生较高的送风压力,适合克服管道阻力并实现有效的空气分配。风机采用的EC电机有助于实现节能与精确的速度控制,是应对多种通风需求的通用解决方案。
关键特性与规格
先进EC电机:
EC190由高性能EC电机驱动,运行安静且效率较高。
EC电机支持无级调速,用户可根据具体需求精细调节风量。
离心式设计:
风机的离心式设计确保了较高的送风压力,使其适用于较长风管或要求较高的通风应用。
风机叶轮经过精密平衡,有助于减少振动和噪音,同时提升耐用性。
高效气流管理:
EC190能提供稳定的气流,确保大空间或高换气率区域的有效通风。
风机设计有助于减少湍流和能量损失,从而提升整体效率。
用户友好控制:
风机配备用户友好的控制器,便于进行速度调节和运行监测。
控制器具有直观的控制与显示界面,操作和维护较为简便。
坚固结构:
EC190结构坚固耐用,外壳和叶轮能够适应条件较为严苛的环境。
风机组件专为连续运行设计,以确保可靠性和较长的使用寿命。
规格参数
型号:EC190(DSX-EC190H86N8P1A-2)
电机类型:EC直流
设计类型:离心式
电压 (V):(根据可选型号而定,通常为220-240V)
风量 (m³/h):(根据可选型号而定,通常高于标准型号)
全压 (Pa):(根据可选型号而定,适用于较高静压应用)
频率 (Hz):50/60(根据地区要求而定)
功率 (W):(根据可选型号而定,通常针对能效优化)
调速方式:无级调速
控制器:用户友好型,带直观控制界面
应用场景
工业通风:适用于工厂、车间等对高风压和效率有较高要求的工业场所。
商业空间:适合大型零售店、办公室、餐厅等需要稳定通风的商业环境。
暖通空调系统:可集成到供暖、通风和空调系统中,有助于提升整体系统效率。
住宅用途:可用于较大户型住宅或多单元建筑的公共区域、大房间的有效通风。
总结
EC190(DSX-EC190H86N8P1A-2)EC离心风机是一款通用且性能良好的通风解决方案,旨在满足多样化的应用需求。其采用的EC电机、离心式设计以及用户友好的控制,使其成为工业、商业及住宅场所的合适选择。凭借其较高的送风压力、高效的能源利用和安静的运行,EC190能确保可靠的性能与经济的通风效果。


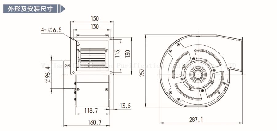
外观和安装尺寸

参数
| 模型缩写 | 型号 | 电压 (V) | 风量 (m³/h) | 总 压力(PA) | 频率(Hz) | 功率 (w) | 电容 (UF) | 速度(r/min) | |
| EC190 | DSX-EC190H86N8P1A-2 | 220 | 1000 | 390 | 50 | 90 | 1640 | XF-19-40S | PWM |
| EC190-A | DSX-EC190H86N8P1A-2A | 220 | 900 | 260 | 50 | 80 | 1570 | XF-19-30 | PWM |
| EC190-B | DSX-EC190H86N8P1A-2B | 220 | 600 | 140 | 50 | 35 | 1200 | XF-12-20S | PWM |
| 模型缩写 | 型号 | 电压(V) | 风量 (m³/h) | 全压 (PA) | 频率(Hz) | 功率(w) | 电容(UF) | 速度(r/min) |
| DSX-155 | DSX-155/DSX-155H176N4P1A-2 | 220 | 600 | 140 | 50 | 60 | 1.5 | 1300/650/350 |
| DSX-160 | DSX-160/DSX-160H80N2P3A-1 | 380/220 | 1000 | 950 | 50 | 370 | / | 2800 |
| DSX-160 | DSX-160/DSX-160H80N2P1A-1 | 220 | 1000 | 950 | 50 | 370 | 5 | 2800 |
| DSX-160H | DSX-160H/DSX-160H80N2P3A-2 | 380 | 1900 | 800 | 50 | 800 | / | 2800 |
| DSX-DF-5 | DSX-DF-5/DSX-206H55N2P3A-1 | 380 | 1120 | 1050 | 50 | 550 | / | 2800 |
| DSX-DF-7 | DSX-DF-7/DSX-206H80N2P3A-1 | 380 | 1500 | 1130 | 50 | 750 | / | 2800 |
| DSX-195 2P | DSX-1952P/DSX-195H60N2P3A-1 | 380/220 | 1200 | 1000 | 50 | 550 | 16 | 2800 |
| DSX-1952/4P | DSX-1952/4P/DSX-195H60N2/4P3A-1 | 380 | 1200/600 | 1000/250 | 50 | 550/140 | / | 2800 |
| DSX-195NAM | DSX-195NAM/DSX-195H60N2P3A-1NAM | 380 | 1150 | 970 | 50 | 550 | / | 2700 |
| DSX-195 | DSX-195/DSX-195H60N2P1A-1 | 220 | 1200 | 1000 | 50 | 550 | 16 | 2800 |
| DSX-195-2 | DSX-195-2/DSX-195H120N4P1A-2 | 220 | 660 | 340 | 50 | 270 | 4 | 1250 |
| DSX-2002p | DSX-2002P/DSX-200H100N2P3A-1 | 380/220 | 1500 | 1200 | 50 | 600 | / | 2800 |
| DSX-2002/4P | DSX-2002/4P/DSX-200H100N2/4P3A-1 | 380 | 1500/600 | 1200/300 | 50 | 600/140 | / | 2800 |
| DSX-200 Nam | DSX-200NAM/DSX-200H100N2P3A-1NAM | 380 | 1350 | 1180 | 50 | 600 | / | 2700 |
| DSX-200 | DSX-200/DSX-200H100N2P1A-1 | 220 | 1500 | 1200 | 50 | 600 | 16 | 2800 |
| DSX-2402P | DSX-2402P/DSX-240H95N2P3A-1 | 380/220 | 2500 | 1500 | 50 | 750 | / | 2800 |
| DSX-2402/4P | DSX-2402/4P/DSX-240H95N2/43A-1 | 380 | 2500/1250 | 1500/375 | 50 | 750/140 | / | 2800 |
| DSX-240NAM | DSX-240NAM/DSX-240H95N2P3A-1NAM | 380 | 2300 | 1400 | 50 | 750 | / | 2700 |
| DSX-240 | DSX-240/DSX-240H95N2P1A-1 | 220 | 2500 | 1500 | 50 | 750 | 24 | 2800 |
| DSX-240-2G 4P | DSX-240-2G 4P/DSX-240H190N4P3A-2G | 380 | 3000 | 510 | 50 | 800 | 1400 | |
| DSX-240-2 4P | DSX-240-2 4P/DSX-240H190N4P3A-2 | 380 | 2500 | 500 | 50 | 500 | 1250 | |
| DSX-240-2 | DSX-240-2/DSX-240H190N4P1A-2 | 220 | 2200 | 470 | 50 | 500 | 10 | 1250 |
| DSX-240-2GA 4P | DSX-240-2GA 4P/DSX-240H190N4P3A-2GA | 380 | 3000 | 510 | 50 | 800 | 1400 | |
| DSX-240-2A 4P | DSX-240-2A 4P/DSX-240H190N4P3A-2A | 380 | 2500 | 500 | 50 | 800 | 1250 | |
| DSX-240-2A | DSX-240-2A/DSX-240H190N4P1A-2A | 220 | 2200 | 470 | 50 | 500 | 10 | 1250 |
| DSX-245Y | DSX-245Y/DSX-245H100N2P1A-1 | 220 | 3000 | 820 | 50 | 1100 | 24 | 2800 |
| DSX-245-4Y | DSX-245-4Y/DSX-245H100N4P1A-1 | 220 | 1500 | 210 | 50 | 750 | 16 | 1400 |
| 模型缩写 | 型号 | 电压(V) | 风量 (m³/h) | 全压 (PA) | 频率(Hz) | 功率(w) | 速度(r/min) | 控制器 | 速度调节模式 |
| EC143 | DSX-EC143H103N8P1A-1 | 220 | 1000 | 280 | 50 | 75 | 1958 | YJ-19A | 无级调速 |
| EC145 | DSX-EC145H60N8P1A-1 | 220 | 750 | 550 | 50 | 100 | 2800 | CR-28 | 无级调速 |
| EC155 | DSX-EC155H176N8P1A-2 | 220 | 600 | 140 | 50 | 60 | 1300 | KJ-13 | 无级调速 |
| EC190 | DSX-EC190H86N8P1A-2 | 220 | 1000 | 390 | 50 | 90 | 1640 | XF-19-40S | PWM |
| EC190-A | DSX-EC190H86N8P1A-2A | 220 | 900 | 260 | 50 | 80 | 1570 | XF-19-30 | PWM |
| EC190-B | DSX-EC190H86N8P1A-2B | 220 | 600 | 140 | 50 | 35 | 1200 | XF-12-20S | PWM |
| EC195-2 | DSX-EC195H136N8P1A-2 | 220 | 600 | 340 | 50 | 110 | 1100 | XF-11-60S | 无级调速 |
| EC200 | DSX-EC200H100N83A-1 | 220 | 1500 | 1000 | 50 | 600 | 2800 | FL-28 | 无级调速 |
| EC239 | DSX-EC239H94N8P3A-1 | 220 | 3200 | 2500 | 50 | 2500 | 3300 | CR-33 | 无级调速 |
| EC240 | DSX-EC240H95N83A-1 | 380 | 2500 | 1200 | 50 | 1000 | 2600 | FL-26 | 无级调速 |
| EC280 | DSX-EC280H100N8P1A-1 | 220 | 1500 | 550 | 50 | 160 | 1380 | YJ-20 | 无级调速 |
离心风机常见问题
欢迎查阅关于离心风机的常见问题页面。如果您对离心风机及其工作原理有疑问,这里或许能为您提供有用的信息。我们整理了以下常见问题及详细解答,以帮助您更好地了解这类高效的通风设备。
常见问题
问题1:什么是离心风机?
回答1: 离心风机是一种用于输送空气或其他气体的机械设备。它主要由叶轮(旋转部件)和蜗壳组成。叶轮旋转时,会将空气吸入风机,然后以较高的速度将其送出,从而形成气流。离心风机常用于暖通空调系统、工业流程和通风系统。
问题2:离心风机与其他类型的风机有何不同?
回答2: 与轴流风机使空气沿直线方向流动不同,离心风机利用离心力将空气径向向外推动。这种设计通常能使离心风机产生比轴流风机更高的风压和风量。此外,离心风机在处理空气中灰尘、污物和其他颗粒物方面通常表现更好。
问题3:离心风机有哪些不同类型?
回答3: 离心风机有几种主要类型,包括前向多翼式、后向式。每种类型都有其独特特性,适用于特定场景。前向多翼式风机适用于低静压系统,而后向式风机更适用于高静压系统。得胜鑫离心风机则在风压和风量之间实现了良好平衡。
问题4:如何为我的应用选择合适的离心风机?
回答4: 选择离心风机时,需要考虑诸如风量要求、静压、噪音水平、效率和空间限制等因素。咨询通风专家有助于确定更适合您特定需求的风机型号。此外,确保正确的选型和安装对于实现风机良好性能较为重要。
问题5:如何维护离心风机以确保其更佳性能?
回答5: 定期维护对于保持离心风机平稳运行很有帮助。这包括清洁风机叶片、检查是否存在堵塞或损坏、润滑运动部件以及检查电机和轴承。监测风机的运行性能并及时处理问题,也有助于避免后续昂贵的维修。
结论
离心风机是应用广泛的设备,可在众多场景中提供有效的通风和空气流动解决方案。了解离心风机的工作原理及正确的维护方法,有助于保障其运行性能和使用寿命。如果您有更多疑问或需要进一步的帮助,欢迎联系我们的专家团队获取专业指导。